Produkte
Antriebstechnik
Freiläufe-Rücklaufsperren
Komplettfreiläufe
Einbaufreiläufe
Anbaufreiläufe
Basisfreiläufe
Langsam laufende Rücklaufsperre
Gehäusefreiläufe
Käfigfreiläufe
Lastmomentsperren
Industrie Bremsen
Pneumatische Bremszangen
Hydraulische Bremszangen
Elektrische Bremszangen
Manuelle Bremszangen
Bremssättel
Klemmeinheiten
Zubehör
Welle-Nabe-Verbindungen
Schrumpfscheiben
Konus-Spannelemente
Sternscheiben
Sternfedern
Torquemotoren
Überlastkupplungen
Drehmomentbegrenzer
Rutschnaben
Kraftbegrenzer
Wellenkupplungen
Ausgleichkupplungen
Flanschkupplungen
Präzisions Spanntechnik
Präzisions Spannfutter
Scheibenblock Flanschfutter LAFF
Kegelbüchsen Flanschfutter BKFF
Kegelhülsen Flanschfutter HKFF
Flachkörper Flanschfutter KFFF
Sonder Spannkörper - Sonder Spannfutter - Zwischenflansch
Präzisions Spanndorne
Scheibenblock Flanschdorne LBDF
Kegelbüchsen Flanschdorne BKDF
Kegelhülsen Flanschdorne HKDF
Flachkörper Flanschdorne KFDF
Sonder Spannkörper - Sonder Spanndorne - Zwischenflansche
Kegelbüchsen Spitzendorne BKDI
Dehnhülsen Spanndorne HDDS
Präzisions Auswuchttechnik
Lohnwuchtung
Auswuchtbeispiele
Caroba Auswucht Software
Auswuchtmaschine
Über Edmayr
Aktuelles
Download
Newsletter
Kontakt
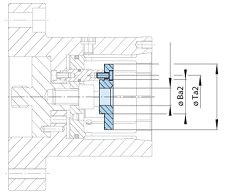
Komponente Anlagering HKFF (optional)
Start
Produkte
Antriebstechnik
Freiläufe-Rücklaufsperren
Gehäusefreiläufe
Dokumente anfordern:
Komponente Anlagering HKFF_Datenblatt
Component Backstop Ring HKFF_Data Sheet
3-D_Datei/3-D_File
Eigenschaften:
Für den Selbstbau von Kegelhülsen - Flanschfuttern HKFF
Aufnahme HKFF
Zugplatte HKFF
Baugruppe Handspannung HKFF
Anlagering HKFF
Produkte
Antriebstechnik
Freiläufe-Rücklaufsperren
Komplettfreiläufe
Einbaufreiläufe
Anbaufreiläufe
Basisfreiläufe
Langsam laufende Rücklaufsperre
Gehäusefreiläufe
Käfigfreiläufe
Lastmomentsperren
Industrie Bremsen
Pneumatische Bremszangen
Hydraulische Bremszangen
Elektrische Bremszangen
Manuelle Bremszangen
Bremssättel
Klemmeinheiten
Zubehör
Welle-Nabe-Verbindungen
Schrumpfscheiben
Konus-Spannelemente
Sternscheiben
Sternfedern
Torquemotoren
Überlastkupplungen
Drehmomentbegrenzer
Rutschnaben
Kraftbegrenzer
Wellenkupplungen
Ausgleichkupplungen
Flanschkupplungen
Präzisions Spanntechnik
Präzisions Spannfutter
Scheibenblock Flanschfutter LAFF
Kegelbüchsen Flanschfutter BKFF
Kegelhülsen Flanschfutter HKFF
Flachkörper Flanschfutter KFFF
Sonder Spannkörper - Sonder Spannfutter - Zwischenflansch
Präzisions Spanndorne
Scheibenblock Flanschdorne LBDF
Kegelbüchsen Flanschdorne BKDF
Kegelhülsen Flanschdorne HKDF
Flachkörper Flanschdorne KFDF
Sonder Spannkörper - Sonder Spanndorne - Zwischenflansche
Kegelbüchsen Spitzendorne BKDI
Dehnhülsen Spanndorne HDDS
Präzisions Auswuchttechnik
Lohnwuchtung
Auswuchtbeispiele
Caroba Auswucht Software
Auswuchtmaschine
Über Edmayr
Aktuelles
Download
Newsletter
Kontakt